Súbor:Schema 23.png
Zo stránky Galéria Robotov
Verzia z 12:01, 12. apríl 2023, ktorú vytvoril Robocup2023 (diskusia | príspevky)
Veľkosť tohto náhľadu: 800 × 434 pixelov. Iné rozlíšenie: 1 257 × 682 pixelov .
Pôvodný súbor (1 257 × 682 pixelov, veľkosť súboru: 37 KB, MIME typ: image/png)
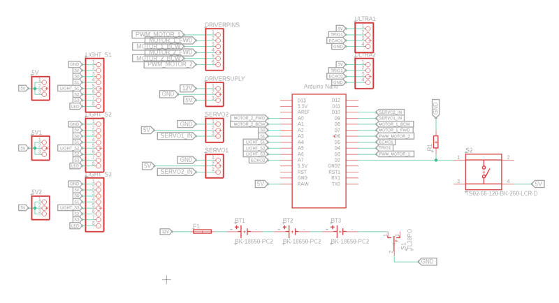
Schéma plošného spoja
História súboru
Po kliknutí na dátum/čas uvidíte ako súbor vyzeral vtedy.
| Dátum/Čas | Náhľad | Rozmery | Používateľ | Komentár | |
|---|---|---|---|---|---|
| aktuálna | 12:01, 12. apríl 2023 | 1 257 × 682 (37 KB) | Robocup2023 (diskusia | príspevky) |
Tento súbor nemôžete prepísať.
Použitie súboru
Na tento súbor odkazuje nasledujúca stránka: