Súbor:PicoDiagram.jpg
Zo stránky Galéria Robotov
Veľkosť tohto náhľadu: 589 × 600 pixelov. Iné rozlíšenie: 863 × 879 pixelov .
Pôvodný súbor (863 × 879 pixelov, veľkosť súboru: 122 KB, MIME typ: image/jpeg)
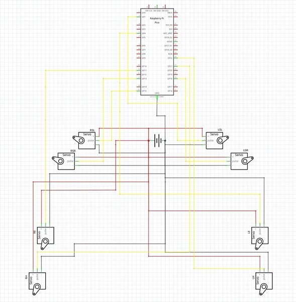
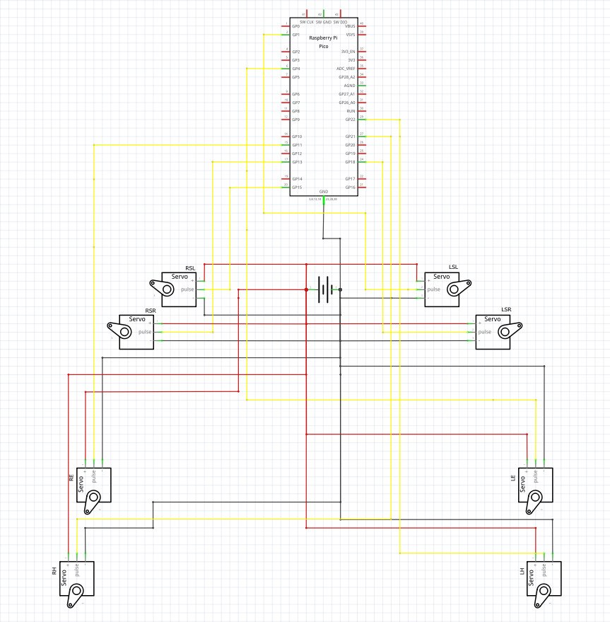
Na fotke je zobrazene pripojenie zdroja, servomotorov a Raspberry Pi Pico
História súboru
Po kliknutí na dátum/čas uvidíte ako súbor vyzeral vtedy.
| Dátum/Čas | Náhľad | Rozmery | Používateľ | Komentár | |
|---|---|---|---|---|---|
| aktuálna | 07:48, 22. apríl 2026 | 863 × 879 (122 KB) | Robocup26 (diskusia | príspevky) |
Tento súbor nemôžete prepísať.
Použitie súboru
Na tento súbor odkazuje nasledujúca stránka: